The ThinkRF R5500 real-time spectrum analyzer is designed to provide exceptional visibility into complex and wideband waveforms. Built with innovative and highly optimizable software-defined radio (SDR) technology, the ThinkRF R5500 provides better performance in applications including regulatory monitoring, signals intelligence/electronic intelligence (SIGINT/ELINT), and technical surveillance countermeasures (TSCM). With its real-time digitization and digital signal processing capabilities, the R5500 enables in-depth analysis of signals in the most challenging monitoring environments.
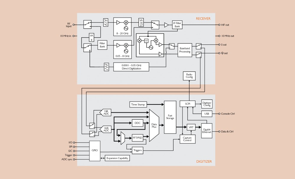
The ThinkRF R5500 makes it possible to analyze waveforms with a larger frequency range, higher bandwidth, deeper dynamic range, and faster scanning speed, all in a compact and portable device. The ThinkRF R5500 boasts a frequency range up to 27GHz, instantaneous bandwidth up to 100MHz, sweep rate of 28GHz/s, 70dB dynamic range (wide IBW) and 100dB dynamic range (narrow IBW), real-time memory storage up to 128 million samples, and light weight of under 3kg to facilitate monitoring in remote environments. The ThinkRF R5500 is also easy to upgrade with simple software-based capabilities that unlock functionality for any application. And since its compatible with standard PCs and a wide variety of development languages and applications, you’ll be able to configure the ThinkRF R5500 to tackle the toughest measurement and analysis challenges you face. For all that, the ThinkRF R5500 is an extremely cost-effective solution that provides incredible valuable compared to competing field and lab spectrum analyzer solutions.


Monitor in more places with the ThinkRF R5500’s networking capabilities for remote and in-place spectrum monitoring. The standard GigE interface provides streaming rates of 360Mbit/s. And with increased portability due to its compact form factor, the ThinkRF R5500 real-time spectrum analyzer is the perfect fit for dispersed and continuous monitoring anywhere you need it.

The ThinkRF R5500 lets you spend more time analyzing and less time measuring. With advanced triggering capabilities and a sweep rate of 28GHz/s at 10kHz resolution bandwidth (RBW) and 40MHz instantaneous bandwidth (IBW), the ThinkRF R5500 has a higher chance of capturing faint or short duration signals. Its patented software-defined spectrum analysis technology enables wide bandwidths, deep dynamic range, and a frequency range of 9kHz to 27GHz, so you can conduct the most advanced analysis.

The ThinkRF R5500 can connect to any standard PC with enough computing power for digital signal processing, signal analysis, and other capabilities. The ThinkRF R5500 can be easily updated to suit your changing requirements. With no need to replace the hardware itself, you won’t be weighed down with built-in capabilities that soon become obsolete.

With the ThinkRF R5500 real-time spectrum analyzer, you can surpass the limitations of traditional hardware and achieve the flexibility you need. The versatile ThinkRF R5500 is compatible with standard protocols and a large set of APIs and development languages to enable a variety of customized tools. The ThinkRF R5500 integrates with applications including MATLAB, LabVIEW, and PyRF. Or, you can build your own applications with C/C++, Python, or the included ThinkRF S240 real-time spectrum analysis software application.